-
Шариковые радиальные
- Подшипники шариковые радиальные однорядные
- Подшипники шариковые радиальные однорядные гибкие
- Подшипники шариковые радиальные однорядные с канавкой на наружном кольце
- Подшипники шариковые радиальные однорядные с одной защитной шайбой
- Подшипники шариковые радиальные однорядные с двумя защитными шайбами
- Подшипники шариковые радиальные однорядные с выступающим внутренним кольцом с двумя защитными шайбами
- Подшипники шариковые радиальные однорядные с канавкой на наружном кольце и с одной защитной шайбой
- Подшипники шариковые радиальные однорядные с односторонним уплотнением
- Подшипники шариковые радиальные однорядные с двухсторонним уплотнением
- Подшипники шариковые радиальные двухрядные с двусторонним уплотнением с валиком вместо внутреннего кольца
- Подшипники шариковые радиальные однорядные с двумя уплотнениями с широким внутренним кольцом на закрепительной втулке
- Подшипники шариковые радиальные однорядные с канавкой на наружном кольце и с двумя защитными шайбами
- Подшипники шариковые радиальные однорядные с двумя уплотнениями с широким внутренним кольцом сферической наружной поверхностью наружного кольца с установочным винтом во внутреннем кольце
- Подшипники шариковые радиальные однорядные с двумя уплотнениями с широким внутренним кольцом сферической наружной поверхностью наружного кольца с концентричным стопорным кольцом
- Подшипники шариковые радиальные однорядные с выступающим на одну сторону внутренним кольцом с двухсторонним уплотнением
- Подшипники шариковые радиальные однорядные с двумя уплотнениями со сферической наружной поверхностью наружного кольца
- Подшипники шариковые радиальные однорядные с двумя уплотнениями (защитными шайбами) с широким внутренним кольцом сферической наружной поверхностью наружного кольца на закрепительной втулке
- Подшипники шариковые радиальные однорядные с канавкой на наружном кольце и с двухсторонним уплотнением
- Подшипники шариковые радиальные однорядные с двумя уплотнениями со сферической наружной поверхностью наружного кольца с симетричным внутренним кольцом и эксцентричным стопорным кольцом
- Подшипники шариковые радиальные однорядные с двумя уплотнениями с широким внутренним кольцом со сферической наружной поверхностью наружного кольца с эксцентричным стопорным кольцом
- Подшипники шариковые радиальные однорядные с упорным бортом на наружном кольце
- Подшипники шариковые радиальные однорядные с упорным бортом на наружном кольце и одной защитной шайбой
- Подшипники шариковые радиальные однорядные с упорным бортом на наружном кольце и двумя защитными шайбами
- Подшипники шариковые радиальные однорядные с выступающим внутренним кольцом с канавкой для комплектования шариками без сепаратора
- Подшипники шариковые радиальные однорядные с канавкой для комплектования шариками без сепаратора
- Подшипники шариковые радиальные однорядные с выступающим внутренним кольцом, с двумя защитными шайбами, с канавкой для комплектования шариками без сепаратора
-
Шариковые радиальные сферические
- Подшипники шариковые радиальные сферические двухрядные с цилиндрическим отверстием внутреннего кольца
- Подшипники шариковые радиальные сферические двухрядные с закрепительной втулкой
- Подшипники шариковые радиальные сферические двухрядные с коническим отверстием внутреннего кольца
- Подшипники шариковые радиальные двухрядные сферические с двумя защитными шайбами
- Подшипники шариковые радиальные однорядные сферические с двумя защитными шайбами
-
Роликовые радиальные с короткими роликами
- Подшипники роликовые радиальные с короткими цилиндрическими роликами без бортов на наружном кольце
- Подшипники роликовые радиальные с короткими цилиндрическими роликами с однобортовым наружным кольцом
- Подшипники роликовые радиальные с короткими цилиндрическими роликами без бортов на внутреннем кольце
- Подшипники роликовые радиальные с короткими цилиндрическими роликами с однобортовым внутренним кольцом
- Подшипники роликовые радиальные с короткими цилиндрическими роликами с безбортовым внутренним кольцом и фасонным упорным кольцом
- Подшипники роликовые радиальные с короткими цилиндрическими роликами с однобортовым внутренним кольцом и фасонным упорным кольцом
- Подшипники роликовые радиальные с короткими цилиндрическими роликами с однобортовым внутренним кольцом и с плоским упорным кольцом
- Подшипники роликовые радиальные с короткими цилиндрическими роликами с безбортовым наружным кольцом и двумя запорными шайбами
- Подшипники роликовые радиальные с короткими цилиндрическими роликами с безбортовым внутренним кольцом и дистанционным кольцом
- Подшипники роликовые радиальные двухрядные с короткими цилиндрическими роликами с коническим отверстием внутреннего кольца с бортами на наружном кольце
- Подшипники роликовые радиальные двухрядные с короткими цилиндрическими роликами с коническим отверстием внутреннего кольца с бортами на внутреннем кольце
- Подшипники роликовые радиальные с короткими цилиндрическими роликами с безбортовым внутренним кольцом и плоским упорным кольцом
- Подшипники роликовые радиальные двухрядные с короткими цилиндрическими роликами с цилиндрическим отверстием внутреннего кольца с бортами на наружном кольце
- Подшипники роликовые радиальные двухрядные с короткими цилиндрическими роликами с цилиндрическим отверстием внутреннего кольца с бортами на внутреннем кольце
- Подшипники роликовые радиальные с короткими цилиндрическими роликами без внутреннего кольца
- Подшипники роликовые радиальные с короткими цилиндрическими роликами с безбортовым наружным кольцом и плоским упорным кольцом
- Подшипники роликовые радиальные многорядные с короткими цилиндрическими роликами без бортов на внутреннем кольце с плоскими упорными кольцами на наружном кольце
- Подшипники роликовые радиальные с короткими цилиндрическими роликами без наружного кольца
-
Роликовые сферические двухрядные
- Подшипники роликовые радиальные сферические двухрядные с бортиками на внутреннем кольце с цилиндрическим отверстием внутреннего кольца
- Подшипники роликовые радиальные сферические двухрядные с закрепительной втулкой
- Подшипники роликовые радиальные сферические двухрядные с цилиндрическим отверстием внутреннего кольца с симметричными роликами
- Подшипники роликовые радиальные сферические двухрядные с бортиками на внутреннем кольце с коническим отверстием внутреннего кольца, конусностью 1:12
- Подшипники роликовые радиальные сферические двухрядные с бортиками на внутреннем кольце с коническим отверстием внутреннего кольца, конусностью 1:30
- Подшипники роликовые радиальные сферические двухрядные с коническим отверстием внутреннего кольца, конусностью 1:12
- Подшипники роликовые радиальные сферические двухрядные с коническим отверстием внутреннего кольца, конусностью 1:30
- Подшипники роликовые радиальные двухрядные сферические с закрепительной втулкой
- Подшипники роликовые радиальные сферические двухрядные со стяжной втулкой
-
Роликовые игольчатые
- Подшипники роликовые радиальные игольчатые однорядные без внутреннего кольца и без сепаратора
- Подшипники роликовые радиальные игольчатые однорядные с наружным и внутренним кольцами без сепаратора
- Подшипники роликовые радиальные игольчатые однорядные с наружным и внутренним кольцами с сепаратором
- Подшипники роликовые радиальные игольчатые однорядные без внутреннего кольца с сепаратором
- Подшипники роликовые радиальные игольчатые однорядные с наружным и внутренним кольцами с сепаратором со вставными бортиками
- Подшипники роликовые радиальные игольчатые однорядные без внутреннего кольца с сепаратором со вставными бортиками
- Подшипники роликовые игольчатые со штампованным наружным кольцом со сквозным отверстием без сепаратора
- Подшипники роликовые игольчатые со штампованным наружным кольцом со сквозным отверстием без сепаратора (94Х/ХХ)
- Подшипники роликовые игольчатые со штампованным наружным кольцом с профилированным дном без сепаратора
- Подшипники роликовые игольчатые со штампованным наружным кольцом со сквозным отверстием с сепаратором
- Подшипники роликовые игольчатые со штампованным наружным кольцом с плоским дном с сепаратором
- Подшипники радиальные роликовые игольчатые однорядные без колец
- Подшипники радиальные роликовые игольчатые двухрядные без колец
-
Шариковые радиально-упорные
- Подшипники шариковые радиально-упорные двухрядные
- Подшипники шариковые радиально-упорные однорядные с разъемным наружным кольцом с четырехточечным контактом
- Подшипники шариковые радиально-упорные однорядные с разъемным внутренним кольцом с трехточечным контактом
- Подшипники шариковые радиально-упорные однорядные с разъемным внутренним кольцом с четырехточечным контактом
-
Роликовые конические
- Подшипники роликовые конические однорядные
- Подшипники роликовые конические однорядные с большим углом конуса
- Подшипники роликовые конические однорядные повышенной грузоподъемности
- Подшипники роликовые конические однорядные повышенной грузоподъемности с большим углом конуса
- Подшипники роликовые конические однорядные повышенной грузоподъемности с упорным бортом на наружном кольце
- Подшипники роликовые конические четырехрядные
- Подшипники роликовые конические двухрядные
- Шариковые упорные и упорно-радиальные
-
Роликовые упорные и упорно-радиальные
- Подшипники упорные с цилиндрическими роликами одинарные однорядные
- Подшипники упорные роликовые конические одинарные
- Подшипники упорно-радиальные роликовые сферические одинарные
- Подшипники упорные с цилиндрическими роликами одинарные двухрядные
- Подшипники упорные с короткими цилиндрическими роликами однорядные без колец
- Подшипники упорные одинарные с игольчатыми роликами без колец
-
Шарнирные
- Подшипники шарнирные без отверстий и канавок для смазки
- Подшипники шарнирные без отверстий и канавок для смазки (для неподвижных соединений)
- Подшипники шарнирные с отверстиями и канавками для смазки во внутреннем кольце
- Подшипники шарнирные с отверстиями и канавками для смазки на внутреннем и наружном кольцах
- Подшипники шарнирные с широким внутренним кольцом с отверстиями и канавками для смазки во внутреннем и наружном кольцах
- Подшипники шарнирные без отверстий и канавок для смазки и с прорезью на наружном кольце
- Подшипники шарнирные с отверстиями и канавками для смазки во внутреннем кольце и с прорезью на наружном кольце
- Подшипники шарнирные с отверстиями и канавками для смазки на внутреннем и наружном кольцах с одноразломным наружным кольцом
- Подшипники шарнирные с отверстиями и канавками для смазки во внутреннем кольце и с разломом наружного кольца в продольном направлении
- Подшипники шарнирные с отверстиями и канавками для смазки на внутреннем и наружном кольцах и с разломом наружного кольца в продольном направлении
- Подшипники шарнирные с отверстиями и канавками для смазки на наружном кольце и с разломом наружного кольца в продольном направлении
- Подшипники шарнирные без наружного кольца с отверстиями и канавками для смазки на внутреннем кольце
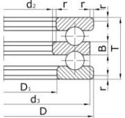
Подшипник 109
Характеристики товара
Внутренний диаметр подшипника, d:
45
Наружный диаметр подшипника, D:
75
Ширина подшипника, B:
16
Радиус монтажной фаски подшипника, r:
1.5 мм
Статическая грузоподъемность, C0:
12200 Н
Динамическая грузоподъемность, C:
21200 Н
Масса подшипника, m:
0.241 кг
Цена по запросу ₽
Обозначение по ГОСТ: 109.
Международное обозначение: 6009.
Вы недавно смотрели: